-
Załączniki bezpieczeństwa
Załczniki do produktuZałączniki dotyczące bezpieczeństwa produktu zawierają informacje o opakowaniu produktu i mogą dostarczać kluczowych informacji dotyczących bezpieczeństwa konkretnego produktu
-
Informacje o producencie
Informacje o producencieInformacje dotyczące produktu obejmują adres i powiązane dane producenta produktu.CAM Trade
-
Osoba odpowiedzialna w UE
Osoba odpowiedzialna w UEPodmiot gospodarczy z siedzibą w UE zapewniający zgodność produktu z wymaganymi przepisami.
Bardzo dobrej jakości wkładka z kluczem nawiercanym utrudniającym włamanie popularnymi metodami. Zabezpieczenia wkładki sugerują, że powinna ona sprostać pod względem antywłamaniowości klasie B.
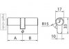
Oznaczenie - np 30/45 oznacza, że Wymiar A (na rysunki poniżej) ma wymiar 30mm a B 45mm itd. Przy wymiarze np 30 może być też litera "G" co oznacza, że z tej strony jest gałka - w odpowiednich typach wkładek z gałką.
Wkładki tego typu występują w różnych odmianach - z gałką i bez jak również w kompletach w systemie jednego klucza.
informacje dodatkowe:
- Wkładka podklamkowa
- wkładka zabezpieczona stalowym pinem przeciw przewierceniu,
- Komplet 5 kluczy
- Kolor wkładki to szczotkowany chrom,
- W komplecie śruba mocująca,
- Wkładka pasuje do wszystkich typów zamków jak Gerda, Lob, Metalplast itp
Oznaczenia:
G - pokrętło po stronie po której znajduje się oznaczenie (np po stronie 30 gdy 40/30-G)
Z - napęd zębatką - za dodatkowa opłata ok 15zł - chyba że dostępna jest na innej aukcji - wtedy w standardzie.




9951.00 szt.