Wczytuję dane...
Model: ZAM-CH-08E
Kod producenta: ZAM-CH-08E
Waga produktu: 1.0000 kg
Realizacja zamówienia: 24 godzin
EAN: 5904673400653
Producent: CAM Trade

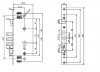
Zamek główny do drzwi chińskich model 08E.

Zamek w sprzedaży jest również spotykany z oznaczeniem ZW1.

- zamek do drzwi chińskich antywłamaniowych oferowanych w marketach (np. OBI, Leroy Merlin, Castorama)

- w komplecie śruby do montażu

- możliwość samodzielnego przystosowania zamka do drzwi lewych lub prawych

Instrukcja zmiany strony zamka:

- należy złapać język zamka kombinerkami i wyciągnąć go na ok. 3 mm poza kasetę zamka

- następnie należy przekręcić język zamka w żądaną stronę

- po otwarciu kombinerek język zamka powróci w prawidłowe miejsce

Polecamy
Klienci, którzy kupili ten produkt wybrali również...

Czerwony sprzęt, czarne ceny!
Skorzystaj z mocy Milwaukee podczas Black Week – promocja obowiązuje wyłącznie online.

20% RABATU Z KODEM: BW20